FRPP priezor DN25-200 1"-8" ANSI štandard

Sivé FRPP priezor DN15-200 Redukčný vysokotlakový plastový priezor na hladinu oleja Prírubový priezor JIS DIN ANSI štandard
Pôvod: Zhejiang, Ningbo
Názov značky: KXPV
Materiál: FRPP
Proces: Kovanie
Farba: Šedo-čierna
Typ pripojenia: Prírubové
Tvar: Reduktor
Kód hlavy: Šesťhranný
Názov produktu: Priehľadové sklo
Veľkosť: DN15-150
Dodacia lehota: 7 dní
Minimálne objednané množstvo: 1 kus
Kapacita dodávky: 10 000 kusov/mesiac

Tlaková trieda: 1,0 MPa(10 bar)

App Temperature Bound List

Materiál Stredná teplota ℃ Materiál Stredná teplota ℃
PVC-C -20 ℃ ~ 95 ℃ PVC-U -5 ℃ ~ 45 ℃
FRPP -20 ℃ ~ 120 ℃ PPH -20 ℃ ~ 110 ℃
PVDF 40 ℃ ~ 150 ℃

Štrukturálne vlastnosti produktu

1. Kompaktný a esteticky príjemný dizajn.
2. Ľahké telo pre jednoduchú inštaláciu.
3. Odolný voči opotrebovaniu, ľahko rozoberateľný a jednoduchá údržba.
4. Vyrobené z borosilikátového skla, ktoré ponúka silnú odolnosť proti korózii a širokému použitiu.
Vhodné do najnáročnejších pracovných prostredí, s dlhou životnosťou

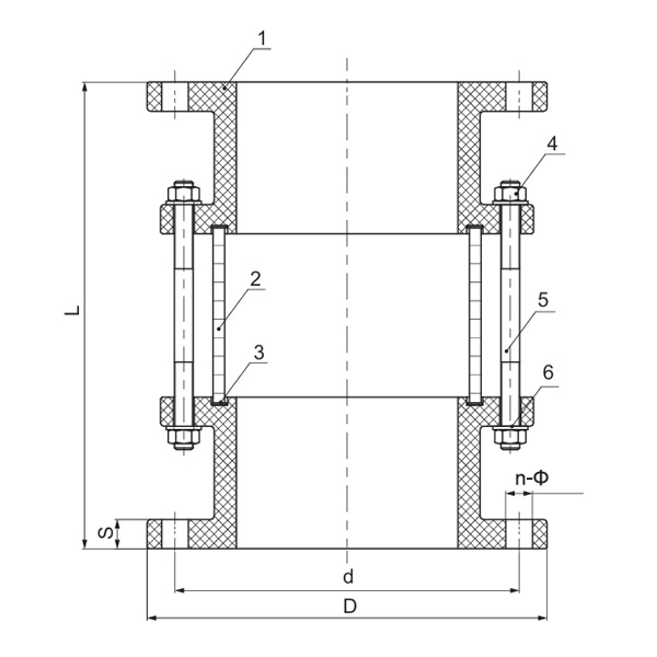
Tabuľka materiálov dielov

Nie Meno Materiál Množ.
PVC-C PVC-U PVDF PPH FRPP
1 Základňa PVC-C PVC-U PVDF PPH FRPP 2
2 sklo BSi BSi BSi BSi BSi 1
3 Tesniaca guma FPM EPDM FPM EPDM EPDM 2
4 Šesťhranná matica 304 Železno 304 Železno Železno 16-32
5 Svorník s dvojitou hlavičkou 304 Železno 304 Železno Železno 4-8
6 Výplňový kus 304 Železno 304 Železno Železno 16-32
Zoznam dimenzií



Špecifikácia D (mm) d (mm) L (mm) s (mm) n-Φ(mm)
1" (25) 115 79 238 15 4-Φ16
1½" (40) 150 98 230 16 4-Φ16
2" (50) 165 121 233 17 4-Φ19
2½" (65) 195 140 277 20 4-Φ19
3" (80) 195 152 277 20 8-Φ19
4" (100) 220 191 310 21 8-Φ19
5" (125) 250 216 350 26 8-Φ22
6" (150) 285 241 385 27 8-Φ23
8" (200) 340 299 400 25 8-Φ23 x 29 $
Spätná väzba správy
O nás
Kaixin Pipeline Technologies Co., Ltd.
Založená v roku 1999, Kaixin Pipeline Technologies Co., Ltd. je high-tech podnik integrujúci výskum a vývoj, výrobu, predaj a služby. Spoločnosť je držiteľom viacerých prestížnych certifikácií, vrátane National High-Tech Enterprise, “Little Giant” Specialized and Sophisticated SME, National Single Product Champion (pestovanie), Provincial Technology-based SME, Ningbo Specialized and Sophisticated SME, Ningbo Single Product Champion (kultivácia), Ningbo Polymer Pipe & Valve Technology R&D Center, District-Level Enterprise Management Factory, District-Level Data Management Factornov Úroveň zrelosti spôsobilosti 2.
Špecializujeme sa na vývoj, výrobu a dodávku nekovových antikoróznych produktov pre chemické aplikácie, vrátane plastových ventilov, potrubí, potrubných armatúr a čerpadiel odolných voči korózii. Naše produktové portfólio zahŕňa materiály ako PVC-C, PVC-U, PVDF, PPH a FRPP s komplexnou škálou typov a špecifikácií. Predovšetkým naše škrtiace klapky môžu dosiahnuť priemer DN1000, zatiaľ čo potrubia a armatúry dosahujú až DN800, čím riešia medzery na trhu a zachovávajú si našu konkurenčnú výhodu v tomto odvetví.
Kaixin, ktorý sa riadi zásadou „poháňaný technológiou, držať krok s dobou“, prideľuje ročne takmer 10 miliónov RMB na výskum a vývoj. Zabezpečujeme špičkovú kvalitu produktov prostredníctvom štandardizovanej automatizovanej výroby a prísneho získavania dovážaných surovín. V súlade s našou medzinárodnou stratégiou rozvoja neustále monitorujeme trendy na svetovom trhu a využívame digitálne kanály, aby sme zákazníkom na celom svete priniesli vysokokvalitné produkty „Made in China“.
Ningbo • Fenghua R&D & Production Base
S celkovou investíciou 200 miliónov RMB spoločnosť Kaixin Ultra-Pure Pipe Technology (Ningbo) Co., Ltd. založila v spolupráci s univerzitami a výskumnými ústavmi nové materiálové laboratórium, vybudovala modernú výrobnú základňu a nainštalovala 8 plne automatizovaných výrobných liniek na modifikované plasty a 8 na polymérne materiály. Zariadenie je určené na výskum a vývoj, výrobu a aplikáciu nových modifikovaných plastov a polymérnych materiálov. Kaixin sa tiež zaviazal prilákať špičkových talentov naprieč disciplínami, neustále podporovať inovácie produktov a vývoj značky s cieľom stať sa celosvetovo uznávaným lídrom v oblasti výskumu a vývoja a výroby polymérových ventilov, potrubí a armatúr.
Čestný certifikát
  • honor
  • honor
  • honor
  • honor
  • honor
  • honor
  • honor
  • honor
  • honor
Správy