Kompozitná príruba GB štandard

FRP/PVC-C, FRP/PVC-U Príruba potiahnutá plastom vystužená sklenenými vláknami

App Temperature Bound List
Materiál Stredná teplota ℃ Materiál Stredná teplota ℃
PVC-C -20 ℃ ~ 95 ℃ PVC-U -5 ℃ ~ 45 ℃
FRPP -20 ℃ ~ 120 ℃ PPH -20 ℃ ~ 110 ℃
PVDF 40 ℃ ~ 150 ℃

Štrukturálne vlastnosti produktu

1. Nízka hmotnosť a vysoká pevnosť
Relatívna hustota je medzi 1,5 a 2,0, čo je len 1/4 až 1/5 hustoty uhlíkovej ocele, ale jej pevnosť v ťahu sa blíži alebo dokonca prevyšuje pevnosť uhlíkovej ocele a jej špecifická pevnosť je porovnateľná so špecifickou pevnosťou legovanej ocele vysokej kvality.
2. Vynikajúca odolnosť proti korózii
FRP je vynikajúci materiál odolný voči korózii, ktorý ponúka vynikajúcu odolnosť voči vzduchu, vode, miernym koncentráciám kyselín, zásad, solí a rôznych olejov a rozpúšťadiel.
3. Vynikajúce elektrické vlastnosti
FRP je vynikajúci izolačný materiál používaný v izolantoch. Zachováva si dobré dielektrické vlastnosti aj pri vysokých frekvenciách a má výbornú mikrovlnnú priepustnosť.
4. Vynikajúce tepelné vlastnosti
FRP má nízku tepelnú vodivosť a je Tepelná vodivosť je 1,25-1,67 kJ/s, iba 1/100-1/1000 v porovnaní s kovom, čo z neho robí vynikajúci tepelnoizolačný materiál.
5. Vynikajúca navrhovateľnosť
Flexibilný dizajn rôznych konštrukčných produktov, ktoré spĺňajú špecifické aplikačné požiadavky, zaisťujú vynikajúcu integritu produktu a umožňujú výber materiálov na splnenie výkonnostných požiadaviek produktu.
6. Vynikajúca spracovateľnosť
Flexibilnú technológiu formovania je možné zvoliť na základe tvaru produktu, technických požiadaviek, aplikácie a množstva. Proces je jednoduchý, umožňuje jednostupňové tvarovanie a ponúka vynikajúce ekonomické výhody. To je obzvlášť výhodné pre zložité, náročné a maloobjemové produkty, čo zdôrazňuje jeho vynikajúcu spracovateľnosť.

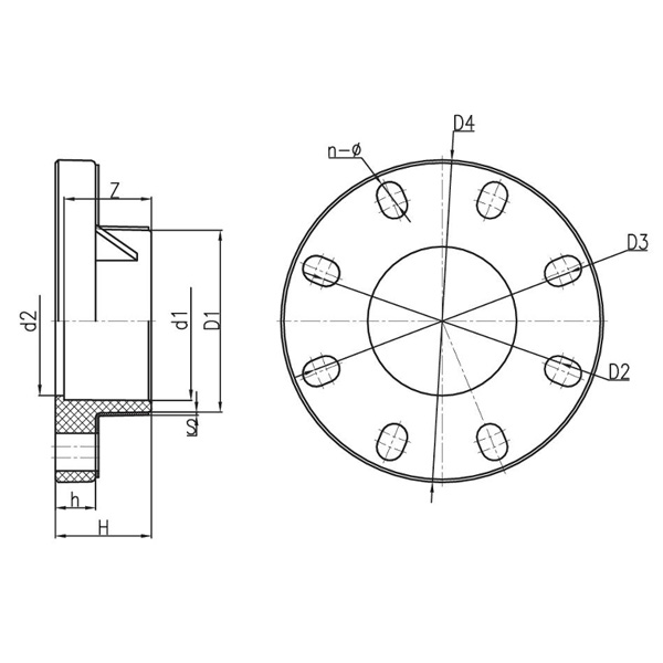
Kompozitná príruba

DN D1 D2 D3 D4 d1 d2 H h Z S n- Φ
0,6 MPa 1,0 MPa 1,6 MPa
15 30 65 70 95 20 17 20 14 16 12 14 16 4-Φ15X20
20 36 70 75 105 25 22 23 16 19 12 14 16 4-Φ15X18
25 46 79 90 120 32 28 27 16 22 12 14 18 4-Φ16X22
32 53 89 100 140 40 36 31 17 26 12 16 18 4-Φ18X24
40 64 98 110 150 50 45 36 19 31 12 18 20 4-Φ18X25
50 77 120 125 165 63 58 43 21 38 15 18 20 4-Φ18X21
65 92 140 145 185 75 69 50 22 44 18 20 25 4-Φ18X21
80 108 150 160 200 90 84 57 25 51 18 20 25 8-Φ18X24
100 131 175 190.5 225 110 104 67 28 61 18 20 25 8-Φ18X26
125 160 210 216 250 140 134 82 30 76 18 25 30 8-Φ20X22
150 180 240 242 280 160 154 92 30 86 18 25 30 8-Φ23X24
200 (PN10) 253 290 295 338 225 219 125 35 119 20 30 35 8-Φ23X27
200 (PN16) 249 295 340 225 219 125 28 119 20 30 35 12-Φ23
250 310 350 362 406 280 254 153 30 146 25 35 40 12-Φ25X31
300 348 400 432 483 315 300 174 30 164 25 35 45 12-Φ25X41
350 393 460 470 520 355 348 197 35 184 30 40 50 16-Φ22X27
400 440 515 525 580 400 390 218 35 206 30 40 60 16-Φ26X31
450 494 561 589 640 450 430 243 40 231 35 45 65 20-Φ26X36
500 548 620 650 715 500 480 271 40 256 35 50 70 20-Φ26X41
600 692 725 780 840 630 571 506 42 321 40 55 75 20-Φ30X58

Spätná väzba správy
O nás
Kaixin Pipeline Technologies Co., Ltd.
Založená v roku 1999, Kaixin Pipeline Technologies Co., Ltd. je high-tech podnik integrujúci výskum a vývoj, výrobu, predaj a služby. Spoločnosť je držiteľom viacerých prestížnych certifikácií, vrátane National High-Tech Enterprise, “Little Giant” Specialized and Sophisticated SME, National Single Product Champion (pestovanie), Provincial Technology-based SME, Ningbo Specialized and Sophisticated SME, Ningbo Single Product Champion (kultivácia), Ningbo Polymer Pipe & Valve Technology R&D Center, District-Level Enterprise Management Factory, District-Level Data Management Factornov Úroveň zrelosti spôsobilosti 2.
Špecializujeme sa na vývoj, výrobu a dodávku nekovových antikoróznych produktov pre chemické aplikácie, vrátane plastových ventilov, potrubí, potrubných armatúr a čerpadiel odolných voči korózii. Naše produktové portfólio zahŕňa materiály ako PVC-C, PVC-U, PVDF, PPH a FRPP s komplexnou škálou typov a špecifikácií. Predovšetkým naše škrtiace klapky môžu dosiahnuť priemer DN1000, zatiaľ čo potrubia a armatúry dosahujú až DN800, čím riešia medzery na trhu a zachovávajú si našu konkurenčnú výhodu v tomto odvetví.
Kaixin, ktorý sa riadi zásadou „poháňaný technológiou, držať krok s dobou“, prideľuje ročne takmer 10 miliónov RMB na výskum a vývoj. Zabezpečujeme špičkovú kvalitu produktov prostredníctvom štandardizovanej automatizovanej výroby a prísneho získavania dovážaných surovín. V súlade s našou medzinárodnou stratégiou rozvoja neustále monitorujeme trendy na svetovom trhu a využívame digitálne kanály, aby sme zákazníkom na celom svete priniesli vysokokvalitné produkty „Made in China“.
Ningbo • Fenghua R&D & Production Base
S celkovou investíciou 200 miliónov RMB spoločnosť Kaixin Ultra-Pure Pipe Technology (Ningbo) Co., Ltd. založila v spolupráci s univerzitami a výskumnými ústavmi nové materiálové laboratórium, vybudovala modernú výrobnú základňu a nainštalovala 8 plne automatizovaných výrobných liniek na modifikované plasty a 8 na polymérne materiály. Zariadenie je určené na výskum a vývoj, výrobu a aplikáciu nových modifikovaných plastov a polymérnych materiálov. Kaixin sa tiež zaviazal prilákať špičkových talentov naprieč disciplínami, neustále podporovať inovácie produktov a vývoj značky s cieľom stať sa celosvetovo uznávaným lídrom v oblasti výskumu a vývoja a výroby polymérových ventilov, potrubí a armatúr.
Čestný certifikát
  • honor
  • honor
  • honor
  • honor
  • honor
  • honor
  • honor
  • honor
  • honor
Správy