PVC-U redukcia DN15*20-600*500 1/2*3/4"-24*20" ANSI štandard

Tmavosivá PVC-U redukčná zásuvka, DN15*20-DN600*500, vlastná 10-palcová, 12-palcová, priemyselná plastová potrubná armatúra pre zásobovanie chemikáliami a vodou, štandard ANSI SCH80
Pôvod: Čína
Názov značky: KXPV
Spracovanie: Kované
Pripojenie: Zásuvka
Materiál: PVC-U
Farba: Tmavo šedá
Tvar: Rovnaký
Kód hlavy: štvorcový
Veľkosť: DN1520-DN600500
Aplikácia: Priemysel
Balenie: kartón
Pracovný tlak: 1,6 MPa
Dodacia lehota: 7 dní
Minimálne množstvo objednávky: 1 kus

App Temperature Bound List
Materiál Stredná teplota ℃ Materiál Stredná teplota ℃
PVC-C -20 ℃ ~ 95 ℃ PVC-U -5 ℃ ~ 45 ℃
FRPP -20 ℃ ~ 120 ℃ PPH -20 ℃ ~ 110 ℃
PVDF 40 ℃ ~ 150 ℃

Štrukturálne vlastnosti produktu

1. Nízka hmotnosť: Materiál PVC-U má iba 1/10 hmotnosti liatiny, čo uľahčuje prepravu a inštaláciu, čím sa znižujú náklady.
2. Vynikajúca chemická odolnosť: PVC-U ponúka vynikajúcu odolnosť voči kyselinám a zásadám, s výnimkou takmer nasýtených silných kyselín a zásad.
3.Durable: PVC-U má vynikajúcu odolnosť voči poveternostným vplyvom a nie je náchylný na koróziu baktériami alebo hubami.
4.Nevodivý: Materiál PVC-U nevedie elektrinu, ani nepodlieha korózii z elektrických prúdov, čím sa eliminuje potreba sekundárneho spracovania. Je nehorľavý a nepodporuje horenie, takže nehrozí nebezpečenstvo požiaru.
5. Nízky odpor, vysoký prietok: Hladké vnútorné steny minimalizujú stratu prietoku tekutiny a nečistoty sa nedajú ľahko prichytiť na hladký povrch potrubia, čo uľahčuje údržbu a znižuje náklady na údržbu.
6. Jednoduchá inštalácia, nízke náklady: Rezanie a pripojenie PVC-U rúr je jednoduché. Spojenia PVC lepidlom sa osvedčili ako bezpečné, spoľahlivé, ľahko ovládateľné a cenovo výhodné.

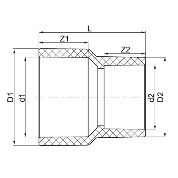
UPVC redukcia

Špecifikácia D1
(mm)
D2
(mm)
d1
(mm)
d2
(mm)
L
(mm)
Z1
(mm)
Z2
(mm)
2″*1″(50*25) 74 45 60.32 33.4 87 38.5 29
2″*1¼″(50*32) 74 54.5 60.32 42.16 86 38.5 32
2″*1½″(50*40) 74 61 60.32 48.26 86 38.5 35
2½″*1¼″(65*32) 90 54.5 73.02 42.16 98.5 45 32
2½″*1½″(65*40) 90 61 73.02 48.26 98.5 45 35
2½″*2″(65*50) 90 74 73.02 60.32 97 45 38.5
3″*1½″)(80*40)) 107 61 88.9 48.26 109.5 48 35
3″*2″(80*50) 107 74 88.9 60.32 107.5 48 38.5
3″*2½″)(80*65)) 107 90 88.9 73.02 109 48 45
4″*2″(100*50) 134 74 114.3 60.32 129.5 57.5 38.5
4″*2½″(100*65) 134 90 114.3 73.02 131 57.5 45
4″*3″(100*80) 134 107 114.3 88.9 127 57.5 48
5″*2½″(125*65) 163 90 141.3 73.02 154.5 67 45
5″*3″(125*80) 163 107 141.3 88.9 150 67 48
5″*4″(125*100) 163 134 141.3 114.3 146.5 67 57.5
6″*3″(150*80) 192 107 168.28 88.9 173 76.5 48
6″*4″(150*100) 192 134 168.28 114.3 170 76.5 57.5
6″*5″(150*125) 192 163 168.28 141.3 167 76.5 67
8″*4″(200*100) 247 134 219.08 114.3 221 102 57.5
8″*5″(200*125) 247 163 219.08 141.3 218 102 67
8″*6″(200*150) 247 192 219.08 168.28 215 102 76.5

Spätná väzba správy
O nás
Kaixin Pipeline Technologies Co., Ltd.
Založená v roku 1999, Kaixin Pipeline Technologies Co., Ltd. je high-tech podnik integrujúci výskum a vývoj, výrobu, predaj a služby. Spoločnosť je držiteľom viacerých prestížnych certifikácií, vrátane National High-Tech Enterprise, “Little Giant” Specialized and Sophisticated SME, National Single Product Champion (pestovanie), Provincial Technology-based SME, Ningbo Specialized and Sophisticated SME, Ningbo Single Product Champion (kultivácia), Ningbo Polymer Pipe & Valve Technology R&D Center, District-Level Enterprise Management Factory, District-Level Data Management Factornov Úroveň zrelosti spôsobilosti 2.
Špecializujeme sa na vývoj, výrobu a dodávku nekovových antikoróznych produktov pre chemické aplikácie, vrátane plastových ventilov, potrubí, potrubných armatúr a čerpadiel odolných voči korózii. Naše produktové portfólio zahŕňa materiály ako PVC-C, PVC-U, PVDF, PPH a FRPP s komplexnou škálou typov a špecifikácií. Predovšetkým naše škrtiace klapky môžu dosiahnuť priemer DN1000, zatiaľ čo potrubia a armatúry dosahujú až DN800, čím riešia medzery na trhu a zachovávajú si našu konkurenčnú výhodu v tomto odvetví.
Kaixin, ktorý sa riadi zásadou „poháňaný technológiou, držať krok s dobou“, prideľuje ročne takmer 10 miliónov RMB na výskum a vývoj. Zabezpečujeme špičkovú kvalitu produktov prostredníctvom štandardizovanej automatizovanej výroby a prísneho získavania dovážaných surovín. V súlade s našou medzinárodnou stratégiou rozvoja neustále monitorujeme trendy na svetovom trhu a využívame digitálne kanály, aby sme zákazníkom na celom svete priniesli vysokokvalitné produkty „Made in China“.
Ningbo • Fenghua R&D & Production Base
S celkovou investíciou 200 miliónov RMB spoločnosť Kaixin Ultra-Pure Pipe Technology (Ningbo) Co., Ltd. založila v spolupráci s univerzitami a výskumnými ústavmi nové materiálové laboratórium, vybudovala modernú výrobnú základňu a nainštalovala 8 plne automatizovaných výrobných liniek na modifikované plasty a 8 na polymérne materiály. Zariadenie je určené na výskum a vývoj, výrobu a aplikáciu nových modifikovaných plastov a polymérnych materiálov. Kaixin sa tiež zaviazal prilákať špičkových talentov naprieč disciplínami, neustále podporovať inovácie produktov a vývoj značky s cieľom stať sa celosvetovo uznávaným lídrom v oblasti výskumu a vývoja a výroby polymérových ventilov, potrubí a armatúr.
Čestný certifikát
  • honor
  • honor
  • honor
  • honor
  • honor
  • honor
  • honor
  • honor
  • honor
Správy