PVC-U redukčný kus DN15*20-600*500 1/2*3/4"-24*20" ANSI štandard

Vysokokvalitné tmavosivé redukované T-kus z PVC-U s vnútorným závitom a hrdlovým pripojením, plastová armatúra na chemické a vodné použitie, štandard ANSI SCH80
Pôvod: Čína
Názov značky: KXPV
Spracovanie: Kované
Typ pripojenia: samica, zásuvka
Tvar: Redukujúci
Kód hlavy: Okrúhly
Farba: Tmavo šedá
Použitie: Priemyselné a chemické
Materiál: PVC-U
Dodacia lehota: 7 dní
Minimálne objednané množstvo: 1 kus
Kapacita dodávky: 10 000 kusov/mesiac

App Temperature Bound List
Materiál Stredná teplota ℃ Materiál Stredná teplota ℃
PVC-C -20 ℃ ~ 95 ℃ PVC-U -5 ℃ ~ 45 ℃
FRPP -20 ℃ ~ 120 ℃ PPH -20 ℃ ~ 110 ℃
PVDF 40 ℃ ~ 150 ℃

Štrukturálne vlastnosti produktu

1. Nízka hmotnosť: Materiál PVC-U má iba 1/10 hmotnosti liatiny, čo uľahčuje prepravu a inštaláciu, čím sa znižujú náklady.
2. Vynikajúca chemická odolnosť: PVC-U ponúka vynikajúcu odolnosť voči kyselinám a zásadám, s výnimkou takmer nasýtených silných kyselín a zásad.
3.Durable: PVC-U má vynikajúcu odolnosť voči poveternostným vplyvom a nie je náchylný na koróziu baktériami alebo hubami.
4.Nevodivý: Materiál PVC-U nevedie elektrinu, ani nepodlieha korózii z elektrických prúdov, čím sa eliminuje potreba sekundárneho spracovania. Je nehorľavý a nepodporuje horenie, takže nehrozí nebezpečenstvo požiaru.
5. Nízky odpor, vysoký prietok: Hladké vnútorné steny minimalizujú stratu prietoku tekutiny a nečistoty sa nedajú ľahko prichytiť na hladký povrch potrubia, čo uľahčuje údržbu a znižuje náklady na údržbu.
6. Jednoduchá inštalácia, nízke náklady: Rezanie a pripojenie PVC-U rúr je jednoduché. Spojenia PVC lepidlom sa osvedčili ako bezpečné, spoľahlivé, ľahko ovládateľné a cenovo výhodné.

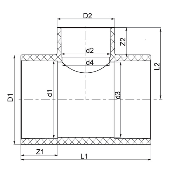
UPVC redukujúce tričko

DN D1 D2 d1 d2 d3 d4 L h Z1 Z2 e1 e2
20*15 31.5 26 25 20 20 16 65.5 29.5 19 19 3.2 3
25*15 41 27 32 20 27 16 80.5 33.5 22 19 4.5 3.5
25*20 41 31.5 32 25 27 20 80.5 36.5 22 19 4.5 3.2
32*15 50.5 26 40 20 34 16 96.5 37.25 26 16.5 5.2 3
32*20 50.5 31.5 40 25 34 20 96.5 40.25 26 19 5.2 3.2
32*25 50.5 41 40 32 34 27 96.5 43.65 26 22 5.2 4.5
40*15 63.5 27 50 20 44 16 116 42.85 31 16 6.7 3.5
40*20 63.5 33 50 25 44 20 116 45.75 31 19 6.7 4
40*25 63.5 43 50 32 44 27 116 48.65 31 22 6.7 5.5
40*32 63.5 51 50 40 44 34 116 52.45 31 26 6.7 5.3
50*20 79 33 63 25 55 20 143 52 38 19 8 3.8
50*25 79 41 63 32 55 27 143 55.3 38 22 8 4.5
50*32 79 50.5 63 40 55 34 143 60 38 26 8 5.3
50*40 79 63.5 63 50 55 44 143 63.5 38 31 8 6.6
65*25 94.5 41 75 32 69 27 168 70.5 44 22 9.7 4.5
65*32 94.5 50.5 75 40 69 34 168 64 44 26 9.7 5.2
65*40 94.5 63 75 50 69 44 168 70 44 31 9.7 6.5
65*50 94.5 79.5 75 63 69 55 168 79 44 38 9.7 8.2
80*20 114 42.5 90 25 87 20 197 68.5 50.5 18.5 12 8.7
80*25 114 42.5 90 32 87 27 197 68.5 50.5 22 12 5.2
80*32 114 52 90 40 87 34 197 73.5 50.5 26 12 5.8
80*40 114 63.5 90 50 87 44 197 78.5 50.5 31 12 6.7
80*50 114 80 90 63 87 55 197 83 50.5 38 12 8.4
80*65 114 95 90 75 87 69 197 92 50.5 44 12 10
100*25 134 41 110 32 106 27 237 77 61 22.5 12 4.4
100*32 134 50 110 40 106 34 237 85 61 26 12 5
100 x 40 134 63 110 50 106 44 237 89 61 31 12 6.5
100 x 50 134 79 110 63 106 55 237 89 61 37.5 12 8
100*65 134 94.5 110 75 106 69 237 100 61 44 12 9.7
100 x 80 134 113.5 110 90 106 87 237 107 61 51 12 11.7
125*50 163 113 140 63 135 55 297.5 132.5 77 37.5 11.5 8
125*80 163 113 140 90 135 87 297.5 132.5 77 50.5 11.5 11.5
125*100 163 134 140 110 135 106 297.5 138.5 77 60.5 11.5 12

DN D1 D2 d1 d2 d3 d4 L h Z1 Z2 e1 e2
150*50 185.5 79.5 160 63 156 55 337 117.5 85.5 38 12.7 8.2
150*65 185.5 95 160 75 156 69 337 128.5 85.5 44 12.7 10
150*80 185.5 113 160 90 156 87 337 132.5 85.5 51 12.7 11.5
150 x 100 185.5 134.5 160 110 156 106 337 142.5 85.5 60.5 12.7 12.2
150*125 185.5 162 160 140 156 135 337 159.5 85.5 77 12.7 11
200 x 50 261 75 225 63 219 59 420 157.5 119 38 18 6
200*65 261 89 225 75 219 71 420 163 119 44 18 7
200 x 80 261 106 225 90 219 86 420 171 119 51 18 8
200 x 100 261 129 225 110 219 105 420 181 119 61 18 9.5
250*125 308 161 280 140 270 130 538 225 146 76 14 10.5
250 x 150 308 184 280 160 270 150 538 235 146 86 14 12
250 x 200 308 248 280 225 270 219 538 268 146 119 14 11.5
300 x 200 346 249 315 225 310 219 662 281 163.5 113.5 15.5 12
350*150 390 184 355 160 340 154 749 276.5 184 86 17.5 12
350 x 200 390 249 355 225 340 219 749 309 184 118.5 17.5 12
450 * 300 $ $ 494 346 450 315 430 304 944 448 231 164 22 15.5
Spätná väzba správy
O nás
Kaixin Pipeline Technologies Co., Ltd.
Založená v roku 1999, Kaixin Pipeline Technologies Co., Ltd. je high-tech podnik integrujúci výskum a vývoj, výrobu, predaj a služby. Spoločnosť je držiteľom viacerých prestížnych certifikácií, vrátane National High-Tech Enterprise, “Little Giant” Specialized and Sophisticated SME, National Single Product Champion (pestovanie), Provincial Technology-based SME, Ningbo Specialized and Sophisticated SME, Ningbo Single Product Champion (kultivácia), Ningbo Polymer Pipe & Valve Technology R&D Center, District-Level Enterprise Management Factory, District-Level Data Management Factornov Úroveň zrelosti spôsobilosti 2.
Špecializujeme sa na vývoj, výrobu a dodávku nekovových antikoróznych produktov pre chemické aplikácie, vrátane plastových ventilov, potrubí, potrubných armatúr a čerpadiel odolných voči korózii. Naše produktové portfólio zahŕňa materiály ako PVC-C, PVC-U, PVDF, PPH a FRPP s komplexnou škálou typov a špecifikácií. Predovšetkým naše škrtiace klapky môžu dosiahnuť priemer DN1000, zatiaľ čo potrubia a armatúry dosahujú až DN800, čím riešia medzery na trhu a zachovávajú si našu konkurenčnú výhodu v tomto odvetví.
Kaixin, ktorý sa riadi zásadou „poháňaný technológiou, držať krok s dobou“, prideľuje ročne takmer 10 miliónov RMB na výskum a vývoj. Zabezpečujeme špičkovú kvalitu produktov prostredníctvom štandardizovanej automatizovanej výroby a prísneho získavania dovážaných surovín. V súlade s našou medzinárodnou stratégiou rozvoja neustále monitorujeme trendy na svetovom trhu a využívame digitálne kanály, aby sme zákazníkom na celom svete priniesli vysokokvalitné produkty „Made in China“.
Ningbo • Fenghua R&D & Production Base
S celkovou investíciou 200 miliónov RMB spoločnosť Kaixin Ultra-Pure Pipe Technology (Ningbo) Co., Ltd. založila v spolupráci s univerzitami a výskumnými ústavmi nové materiálové laboratórium, vybudovala modernú výrobnú základňu a nainštalovala 8 plne automatizovaných výrobných liniek na modifikované plasty a 8 na polymérne materiály. Zariadenie je určené na výskum a vývoj, výrobu a aplikáciu nových modifikovaných plastov a polymérnych materiálov. Kaixin sa tiež zaviazal prilákať špičkových talentov naprieč disciplínami, neustále podporovať inovácie produktov a vývoj značky s cieľom stať sa celosvetovo uznávaným lídrom v oblasti výskumu a vývoja a výroby polymérových ventilov, potrubí a armatúr.
Čestný certifikát
  • honor
  • honor
  • honor
  • honor
  • honor
  • honor
  • honor
  • honor
  • honor
Správy