PVC-U univerzálna zásuvková príruba DN15-600 1/2"-24" ANSI štandard

Novo bežne používaná tmavosivá prírubová prírubová armatúra PVC-U s univerzálnym hrdlom, DN15-DN600, pre chemické a sanitárne aplikácie, štandard ANSI SCH80
Pôvod: Čína
Názov značky: KXPV
Materiál: Plast
Spracovanie: Kované
Pripojenie: Zásuvka
Tvar: Rovnaký
Kód hlavy: štvorcový
Farba: Tmavo šedá
Veľkosť: DN15-DN600
Aplikácia: Priemysel
Balenie: kartón
Pracovný tlak: 1 MPa
Dodacia lehota: 7 dní
Minimálne množstvo objednávky: 1 kus

App Temperature Bound List
Materiál Stredná teplota ℃ Materiál Stredná teplota ℃
PVC-C -20 ℃ ~ 95 ℃ PVC-U -5 ℃ ~ 45 ℃
FRPP -20 ℃ ~ 120 ℃ PPH -20 ℃ ~ 110 ℃
PVDF 40 ℃ ~ 150 ℃

Štrukturálne vlastnosti produktu

1. Nízka hmotnosť: Materiál PVC-U má iba 1/10 hmotnosti liatiny, čo uľahčuje prepravu a inštaláciu, čím sa znižujú náklady.
2. Vynikajúca chemická odolnosť: PVC-U ponúka vynikajúcu odolnosť voči kyselinám a zásadám, s výnimkou takmer nasýtených silných kyselín a zásad.
3.Durable: PVC-U má vynikajúcu odolnosť voči poveternostným vplyvom a nie je náchylný na koróziu baktériami alebo hubami.
4.Nevodivý: Materiál PVC-U nevedie elektrinu, ani nepodlieha korózii z elektrických prúdov, čím sa eliminuje potreba sekundárneho spracovania. Je nehorľavý a nepodporuje horenie, takže nehrozí nebezpečenstvo požiaru.
5. Nízky odpor, vysoký prietok: Hladké vnútorné steny minimalizujú stratu prietoku tekutiny a nečistoty sa nedajú ľahko prichytiť na hladký povrch potrubia, čo uľahčuje údržbu a znižuje náklady na údržbu.
6. Jednoduchá inštalácia, nízke náklady: Rezanie a pripojenie PVC-U rúr je jednoduché. Spojenia PVC lepidlom sa osvedčili ako bezpečné, spoľahlivé, ľahko ovládateľné a cenovo výhodné.

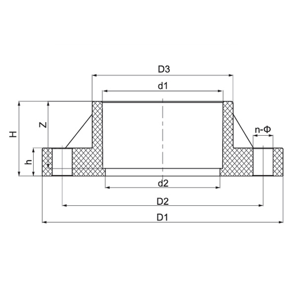
UPVC príruba

Špecifikácia D1
(mm)
D2
(mm)
D3
(mm)
d1
(mm)
d2
(mm)
H
(mm)
h
(mm)
Z
(mm)
n-Ф
(mm)
1/2" (15) 89 60 31.5 21.34 18 27 16 22.5 4-Ф16
3/4" (20) 95 70 37 26.67 23 30.5 18 25.5 4-Ф16
1" (25) 108 79 45 33.4 29 34.5 18 29 4-Ф16
1¼" (32) 117 89 54.5 42.16 38 37.5 18 32 4-Ф16
1½" (40) 127 98 61 48.26 44 40.5 20 35 4-Ф16
2" (50) 152 121 74 60.32 55 44.5 20 38.5 4-Ф19
2½" (65) 178 140 90 73.02 68 51 20 45 4-Ф19
3" (80) 191 152 107 88.9 83 54.5 21 48 4-Ф19
4" (100) 229 191 134 114.3 109 64 24 57.5 4-Ф19
5" (125) 254 216 163 141.3 134 73.5 25 67 8-Ф22
6" (150) 279 241 192 168.28 160 83.5 25 76.5 8-Ф22
8" (200) 343 299 247 219.08 210 109 29 102 8-Φ22

Spätná väzba správy
O nás
Kaixin Pipeline Technologies Co., Ltd.
Založená v roku 1999, Kaixin Pipeline Technologies Co., Ltd. je high-tech podnik integrujúci výskum a vývoj, výrobu, predaj a služby. Spoločnosť je držiteľom viacerých prestížnych certifikácií, vrátane National High-Tech Enterprise, “Little Giant” Specialized and Sophisticated SME, National Single Product Champion (pestovanie), Provincial Technology-based SME, Ningbo Specialized and Sophisticated SME, Ningbo Single Product Champion (kultivácia), Ningbo Polymer Pipe & Valve Technology R&D Center, District-Level Enterprise Management Factory, District-Level Data Management Factornov Úroveň zrelosti spôsobilosti 2.
Špecializujeme sa na vývoj, výrobu a dodávku nekovových antikoróznych produktov pre chemické aplikácie, vrátane plastových ventilov, potrubí, potrubných armatúr a čerpadiel odolných voči korózii. Naše produktové portfólio zahŕňa materiály ako PVC-C, PVC-U, PVDF, PPH a FRPP s komplexnou škálou typov a špecifikácií. Predovšetkým naše škrtiace klapky môžu dosiahnuť priemer DN1000, zatiaľ čo potrubia a armatúry dosahujú až DN800, čím riešia medzery na trhu a zachovávajú si našu konkurenčnú výhodu v tomto odvetví.
Kaixin, ktorý sa riadi zásadou „poháňaný technológiou, držať krok s dobou“, prideľuje ročne takmer 10 miliónov RMB na výskum a vývoj. Zabezpečujeme špičkovú kvalitu produktov prostredníctvom štandardizovanej automatizovanej výroby a prísneho získavania dovážaných surovín. V súlade s našou medzinárodnou stratégiou rozvoja neustále monitorujeme trendy na svetovom trhu a využívame digitálne kanály, aby sme zákazníkom na celom svete priniesli vysokokvalitné produkty „Made in China“.
Ningbo • Fenghua R&D & Production Base
S celkovou investíciou 200 miliónov RMB spoločnosť Kaixin Ultra-Pure Pipe Technology (Ningbo) Co., Ltd. založila v spolupráci s univerzitami a výskumnými ústavmi nové materiálové laboratórium, vybudovala modernú výrobnú základňu a nainštalovala 8 plne automatizovaných výrobných liniek na modifikované plasty a 8 na polymérne materiály. Zariadenie je určené na výskum a vývoj, výrobu a aplikáciu nových modifikovaných plastov a polymérnych materiálov. Kaixin sa tiež zaviazal prilákať špičkových talentov naprieč disciplínami, neustále podporovať inovácie produktov a vývoj značky s cieľom stať sa celosvetovo uznávaným lídrom v oblasti výskumu a vývoja a výroby polymérových ventilov, potrubí a armatúr.
Čestný certifikát
  • honor
  • honor
  • honor
  • honor
  • honor
  • honor
  • honor
  • honor
  • honor
Správy