App Temperature Bound List
Materiál Stredná teplota ℃ Materiál Stredná teplota ℃
PVC-C -20 ℃ ~ 95 ℃ PVC-U -5 ℃ ~ 45 ℃
FRPP -20 ℃ ~ 120 ℃ PPH -20 ℃ ~ 110 ℃
PVDF 40 ℃ ~ 150 ℃

Štrukturálne vlastnosti produktu

1. Nízka hmotnosť: PVC-U predstavuje iba 1/10 hmotnosti liatiny, čo uľahčuje prepravu a inštaláciu, čím sa znižujú náklady.
2. Vynikajúca chemická odolnosť: PVC-U má vynikajúcu odolnosť voči kyselinám a zásadám, s výnimkou silných kyselín a zásad v blízkosti ich bodu nasýtenia.
3. Odolný: PVC-U ponúka vynikajúcu odolnosť voči poveternostným vplyvom a je odolný voči korózii spôsobenej baktériami a hubami.
4. Nevodivé: PVC-U je nevodivé a nie je náchylné na koróziu elektrolýzou alebo elektrickým prúdom, čím sa eliminuje potreba sekundárneho spracovania. Je nehorľavý a nepodporuje spaľovanie, čím eliminuje obavy z požiarnej bezpečnosti.
5. Nízky odpor a vysoký prietok: Hladká vnútorná stena minimalizuje stratu prietoku tekutiny a je menej pravdepodobné, že nečistoty priľnú na hladký povrch potrubia, vďaka čomu je údržba jednoduchá a nákladovo efektívna.
6. Jednoduchá inštalácia a nízke náklady: Rezanie a spájanie je jednoduché. PVC lepidlo sa ukázalo ako bezpečné, spoľahlivé, ľahko použiteľné a nákladovo efektívne.

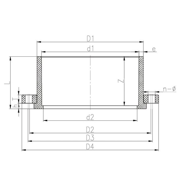
PVC-U Vanstone príruba

DN D1 D2 D3 D4 d1 d2 L T h Z n-Φ
15 27 59 70 95 20 18 22 16 1.5 16 4-Φ15X20,5
20 32 70 75 105 25 23 25 18 1.5 19 4-15X17,5
25 40 79 90 125 32 29 28 18 1.5 22 4-Φ15X20,5
32 50 89 100 140 40 36 31.5 20 1.5 26 4-Φ18X24,5
4 61 98 110 150 50 4 37 20 2 31 4-Φ18X24
50 75 120 125 165 63 58 44 25 2 38 4-Φ18X20,5
65 88 140 145 185 75 69 50 25 2 44 4-Φ18X20,5
80 105 150 160 200 90 84 57 26 2.5 51 8-Φ18X23
100 127 175 190.5 229 110 105 67 26 2.5 61 8-Φ18X26
125 161 210 250 140 130 84 28 12.5 77 8-Φ19
150 182 240 285 160 150 93 31 12.5 85 8-Φ23
200 249 295 339 225 215 127 36 16 119 8-Φ23X25
200 254 295.8 341 225 215 127 33.1 16 119 12-Φ22
250 308 350 395 280 267 154 40.5 16.5 144 12-Φ23
300 346 400 445 315 305 170 43 18 160 12-Φ23
350 395 460 505 355 340 176 43 16 164.5 16-Φ23
400 442 515 570 400 382 219 43 22 200 16-Φ27
450 494 565 625 450 430 220 40 27 210 20-Φ26
500 548 620 670 500 475 210 43 25 185 20-Φ27
Spätná väzba správy
O nás
Kaixin Pipeline Technologies Co., Ltd.
Založená v roku 1999, Kaixin Pipeline Technologies Co., Ltd. je high-tech podnik integrujúci výskum a vývoj, výrobu, predaj a služby. Spoločnosť je držiteľom viacerých prestížnych certifikácií, vrátane National High-Tech Enterprise, “Little Giant” Specialized and Sophisticated SME, National Single Product Champion (pestovanie), Provincial Technology-based SME, Ningbo Specialized and Sophisticated SME, Ningbo Single Product Champion (kultivácia), Ningbo Polymer Pipe & Valve Technology R&D Center, District-Level Enterprise Management Factory, District-Level Data Management Factornov Úroveň zrelosti spôsobilosti 2.
Špecializujeme sa na vývoj, výrobu a dodávku nekovových antikoróznych produktov pre chemické aplikácie, vrátane plastových ventilov, potrubí, potrubných armatúr a čerpadiel odolných voči korózii. Naše produktové portfólio zahŕňa materiály ako PVC-C, PVC-U, PVDF, PPH a FRPP s komplexnou škálou typov a špecifikácií. Predovšetkým naše škrtiace klapky môžu dosiahnuť priemer DN1000, zatiaľ čo potrubia a armatúry dosahujú až DN800, čím riešia medzery na trhu a zachovávajú si našu konkurenčnú výhodu v tomto odvetví.
Kaixin, ktorý sa riadi zásadou „poháňaný technológiou, držať krok s dobou“, prideľuje ročne takmer 10 miliónov RMB na výskum a vývoj. Zabezpečujeme špičkovú kvalitu produktov prostredníctvom štandardizovanej automatizovanej výroby a prísneho získavania dovážaných surovín. V súlade s našou medzinárodnou stratégiou rozvoja neustále monitorujeme trendy na svetovom trhu a využívame digitálne kanály, aby sme zákazníkom na celom svete priniesli vysokokvalitné produkty „Made in China“.
Ningbo • Fenghua R&D & Production Base
S celkovou investíciou 200 miliónov RMB spoločnosť Kaixin Ultra-Pure Pipe Technology (Ningbo) Co., Ltd. založila v spolupráci s univerzitami a výskumnými ústavmi nové materiálové laboratórium, vybudovala modernú výrobnú základňu a nainštalovala 8 plne automatizovaných výrobných liniek na modifikované plasty a 8 na polymérne materiály. Zariadenie je určené na výskum a vývoj, výrobu a aplikáciu nových modifikovaných plastov a polymérnych materiálov. Kaixin sa tiež zaviazal prilákať špičkových talentov naprieč disciplínami, neustále podporovať inovácie produktov a vývoj značky s cieľom stať sa celosvetovo uznávaným lídrom v oblasti výskumu a vývoja a výroby polymérových ventilov, potrubí a armatúr.
Čestný certifikát
  • honor
  • honor
  • honor
  • honor
  • honor
  • honor
  • honor
  • honor
  • honor
Správy