PVC-C D371X-10V Šnekový škrtiaci ventil DN32-1000 GB štandard

Prispôsobený nový PVC-C závitovkový hriadeľ svetlometu DN32-1000 sivý škrtiaci ventil DIN JIS ANSI štandardný 4-palcový plastový koncový prírubový ventil
Ochranná známka: KXPV
Číslo modelu: D371X-10V
Aplikácia: Všeobecné
Materiál: Plast
Farba: šedá, čierna, červená
Teplota média: vysoká, stredná
Tlak: Stredný
Napájanie: Manuálne
Médium: Kyselina
Veľkosť portu: DN32-1000
Konštrukcia: Motýľ
Hlavný materiál: PVC-C
Pripojenie: Príruba
Štandard: GB/T27725
Použitie: Priemyselné použitie
Pracovný tlak: -20~95℃
Dodacia lehota: 7 dní
MOQ: 1 kus

Tlaková trieda: 1,0 MPa(10 bar)

Štrukturálne vlastnosti produktu
1. Ventil je malý a ľahký, ľahko sa rozoberá a opravuje a môže byť inštalovaný v akejkoľvek polohe.
2. Štruktúra je jednoduchá a kompaktná a prevádzkový krútiaci moment je malý a otáčanie o 90° sa otvára rýchlo.
3. Charakteristiky toku majú tendenciu byť priame a výkon nastavenia je dobrý.

App Temperature Bound List

Materiál Stredná teplota ℃ Materiál Stredná teplota ℃
PVC-C -20 ℃ ~ 95 ℃ PVC-U -5 ℃ ~ 45 ℃
FRPP -20 ℃ ~ 120 ℃ PPH -20 ℃ ~ 110 ℃
PVDF 40 ℃ ~ 150 ℃

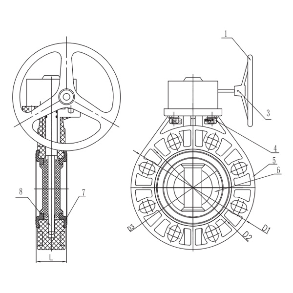
Tabuľka materiálov dielov

Nie

Meno

Materiál

1

koleso liatina, zliatina hliníka

2

Medveď šnekového prevodu Oceľ

3

Data japate hliník

4

Šesťhranná skrutka Oceľ,StainlessSteel

5

Veko šnekového prevodu liatina, zliatina hliníka

6

Šnekový prevod liatina, zliatina hliníka

7

Limitná skrutka Oceľ,StainlessSteel

8

Stonka Oceľ,StainlessSteel

9

Cvok s dvojitou hlavou Oceľ,StainlessSteel

10

Šesťhranná matica Oceľ,StainlessSteel

11

Tesniaca guma EPDM, FPM
12 Ventilová doska FRPP,PVDF,PVC-C,PVC-U,PPH
13 Telo FRPP,PVDF,PVC-C,PVC-U,PPH

Detailný výkres zostavy škrtiaceho ventilu so závitovkovým prevodom

Tabuľka materiálov dielov

NIE

Názov dielov

Materiál

Množ.

1

koleso liatina

1

2

Šnekový prevod liatina

1

3

Pin Oceľ

1

4

Orieškový pohár FRPP

4

5

Telo FRPP,PVDF,PVC-C,PVC-U,PPH

1

6

Ventilová doska FRPP,PVDF,PVC-C,PVC-U,PPH

1

7

Tesniaca guma EPDM, FPM

1

8

Stonka Oceľ,StainlessSteel

1

Zoznam dimenzií

DN (mm) D1 D2 D3 T n-Φ
GB JIS ANSI GB JIS ANSI
32 (11/4") 140 100 100 88.9 33 35 4-Φ17 4-Φ17 4-Φ17
40 (11/2") 150 110 105 98.4 41.5 39 4-Φ19X25 4-Φ19X25 4-Φ19X25
50 (2") 160 125 120 120.7 50 40 4-Φ19X26,5 4-Φ19X26,5 4-Φ19X26,5
65 (21/2") 180 145 140 139.7 64 42 4-Φ19X26,5 4-Φ19X26,5 4-Φ19X26,5
80 (4") 200 160 150 152.4 77 42 8-Φ19X25 8-Φ19X25 4-Φ19X20
100 (4") 225 180 175 190.5 96 52 8-Φ19X32 8-Φ19X32 8-Φ19X32
125 (5") 255 210 210 215.9 120 61 8-Φ23X33 8-Φ23X33 8-Φ23X33
150 (6") 290 240 240 241.3 145 71 8-Φ23X34 8-Φ23X34 8-923 x 34
200 (8") 340 295 290 298.5 196.5 81 8-Φ23X33,5 12-Φ23X27 8-Φ23X33,5
250 (10") 420 350 355 362 245.5 110 12-Φ23,5X32 12-Φ23,5X32 12-Φ23,5X32
300 (12") 500 400 431.8 291.5 115 12-Φ28X48 12-Φ28X48
350 (14") 550 460 476.3 340 127 16-Φ26 12-Φ33
400 (16") 619 515 510 539.8 399 140 16-Φ36X52 16-Φ36X52 16-Φ36X52
450 (18") 655 565 565 577.9 446 150 20-Φ25 20-Φ27 16-Φ33
500 (20") 705 620 620 635 494 150 20-Φ26X33 20-Φ27X33 20-26X33
600 (24") 816 725 749.3 570 170 20-Φ28X38 20-Φ28X38
700 (28") 910 840 840 670 185 24-Φ33X44 24-Φ33X44
800 (32") 1055 960 950 977.9 755 240 24-Φ44,5X65 28-Φ36X52 24-Φ44,5X65
1000 (40") 1230 1160 1160 935 236 28-Φ36X52 28-Φ39


DN (mm) D1 D 2 D3 T n-Φ
GB JIS ANSI GB JIS ANS I
40 (11/2") 148 110 105 98.4 41.5 39 4-Φ19X25 4-Φ19X25 4-Φ19X25
50 (2") 162 125 120 120.7 50 40 4-Φ19X26,5 4-Φ19X25,6 4-Φ19X25,6
65 (21/2") 180 145 140 139.7 64 42 4-Φ19X26,5 4-Φ19X25,6 4-Φ19X25,6
80 (3") 198 160 150 152.4 77 42 8-Φ19X25 8-Φ19X24 4-Φ19X20
100 (4") 225 180 175 190.5 96 52 8-Φ19X32 8-Φ19X32 8-Φ19X32
125 (5") 255 210 210 215.9 120 61 8-Φ23X33 8-Φ23X33 8-Φ23X33
150 (6") 285 240 240 241.3 145 71 8-Φ23X34 8-Φ23X34 8-Φ22X34
200 (8") 340 295 290 298.5 196.5 81 8-Φ23X33,5 12-Φ23X27 8-Φ22X33,5

Spätná väzba správy
O nás
Kaixin Pipeline Technologies Co., Ltd.
Založená v roku 1999, Kaixin Pipeline Technologies Co., Ltd. je high-tech podnik integrujúci výskum a vývoj, výrobu, predaj a služby. Spoločnosť je držiteľom viacerých prestížnych certifikácií, vrátane National High-Tech Enterprise, “Little Giant” Specialized and Sophisticated SME, National Single Product Champion (pestovanie), Provincial Technology-based SME, Ningbo Specialized and Sophisticated SME, Ningbo Single Product Champion (kultivácia), Ningbo Polymer Pipe & Valve Technology R&D Center, District-Level Enterprise Management Factory, District-Level Data Management Factornov Úroveň zrelosti spôsobilosti 2.
Špecializujeme sa na vývoj, výrobu a dodávku nekovových antikoróznych produktov pre chemické aplikácie, vrátane plastových ventilov, potrubí, potrubných armatúr a čerpadiel odolných voči korózii. Naše produktové portfólio zahŕňa materiály ako PVC-C, PVC-U, PVDF, PPH a FRPP s komplexnou škálou typov a špecifikácií. Predovšetkým naše škrtiace klapky môžu dosiahnuť priemer DN1000, zatiaľ čo potrubia a armatúry dosahujú až DN800, čím riešia medzery na trhu a zachovávajú si našu konkurenčnú výhodu v tomto odvetví.
Kaixin, ktorý sa riadi zásadou „poháňaný technológiou, držať krok s dobou“, prideľuje ročne takmer 10 miliónov RMB na výskum a vývoj. Zabezpečujeme špičkovú kvalitu produktov prostredníctvom štandardizovanej automatizovanej výroby a prísneho získavania dovážaných surovín. V súlade s našou medzinárodnou stratégiou rozvoja neustále monitorujeme trendy na svetovom trhu a využívame digitálne kanály, aby sme zákazníkom na celom svete priniesli vysokokvalitné produkty „Made in China“.
Ningbo • Fenghua R&D & Production Base
S celkovou investíciou 200 miliónov RMB spoločnosť Kaixin Ultra-Pure Pipe Technology (Ningbo) Co., Ltd. založila v spolupráci s univerzitami a výskumnými ústavmi nové materiálové laboratórium, vybudovala modernú výrobnú základňu a nainštalovala 8 plne automatizovaných výrobných liniek na modifikované plasty a 8 na polymérne materiály. Zariadenie je určené na výskum a vývoj, výrobu a aplikáciu nových modifikovaných plastov a polymérnych materiálov. Kaixin sa tiež zaviazal prilákať špičkových talentov naprieč disciplínami, neustále podporovať inovácie produktov a vývoj značky s cieľom stať sa celosvetovo uznávaným lídrom v oblasti výskumu a vývoja a výroby polymérových ventilov, potrubí a armatúr.
Čestný certifikát
  • honor
  • honor
  • honor
  • honor
  • honor
  • honor
  • honor
  • honor
  • honor
Správy